渗压计(液位变送器)
液位变送器产品采用316L不锈钢隔离膜片的OEM压力传感器作为信号测量元件,并经过计算机自动测试,用激光调阻工艺进行了宽温度范围的零点和灵敏度温度补偿。
一、产品概述
液位变送器产品采用316L不锈钢隔离膜片的OEM压力传感器作为信号测量元件,并经过计算机自动测试,用激光调阻工艺进行了宽温度范围的零点和灵敏度温度补偿。放大电路位于不锈钢壳体内,将传感器信号转换为标准输出信号,充分发挥了传感器的技术优势,使液位变送器具有优异的性能。它抗干扰、过载和抗冲击能力强、温度漂移小、稳定性高,具有很高的测量精度,是工业自动化领域理想的压力测量仪表。
二、工作原理
压力传感器是在扩散硅片上扩散一个惠斯通电桥,被测介质(气体或液体)施压使桥壁电阻值发生变化(压阻效应),产生一个差动电压信号,此信号经专用放大器将量程相对应的信号转化成标准模拟信号或数字信号。
三、技术参数
测量介质:水(与304不锈钢兼容)
整体材质:膜片———316L不锈钢(与介质接触) 引线—————聚氯乙烯(与介质接触)
外壳———304不锈钢 密封件————丁腈橡胶(与介质接触)
压力量程:0~0.5M-500M(详见选型表)
压力方式:表压
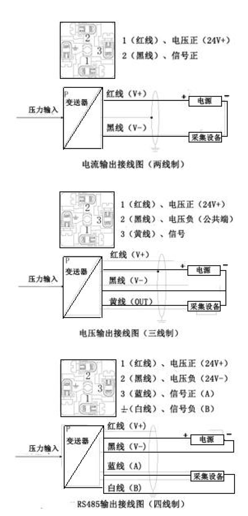
输出信号:4~20mA(默认发货)、0~10V、0~5V、1~10V、1~5V、0.5~4.5V(定制)
RS485(标准Modbus-RTU协议)
供电电压:12~36VDC(非常规定制)
精度等级:0.5%FS (量程≥10KPa 默认)
0.25%FS (量程≥10KPa 定制)
1%FS (量程小于等于10KPa 默认)
工作条件:介质温度 -20~85℃
环境温度 -20~85℃
环境湿度 0%~95%RH(无冷凝、无结露)
温度补偿 -10~70℃
抗震性能:10g(20...2000HZ)
过载能力:200%量程
响应频率:模拟信号输出≤500HZ、数字信号输出小于等于5HZ
稳定性能:±0.1%FS/年
温度漂移:±0.01%FS/℃(温度补偿范围内)
防护等级:IP65(无显示)、IP54(有显示)
最大功率:≤0.02Us(W)
四、产品细节


